Qual è la specifica della ferrovia UIC54?
Binario UIC54, noto anche come rotaia 54E1 o rotaia 54E1, è un profilo standard per rotaie pesanti definito dall'UIC 860, ampiamente utilizzato nei sistemi ferroviari internazionali. Il profilo del binario UIC54 è progettato per fornire una distribuzione stabile del carico, un'elevata resistenza all'usura e una lunga durata in condizioni di traffico medio-pesante. Con un peso teorico di 54,43 kg/m, questa sezione ferroviaria è comunemente applicata nelle linee ferroviarie principali, nei corridoi merci e nei sistemi di trasporto urbano.
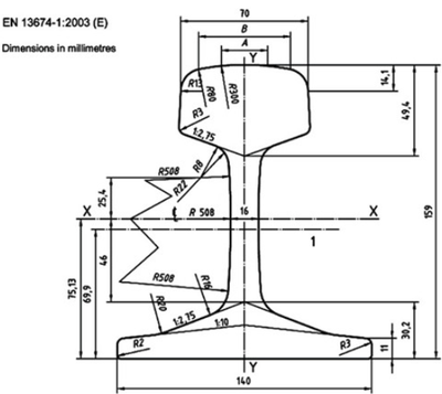
dimensioni binario uic54:

| Tipo di binario | Standard | Dimensioni (mm) | Sezione S | Messa m | ||||
| H | B | C | D | E | cm² | kg/m | ||
| Norma europea EN 13674-1 | ||||||||
| 54E1 (UIC54) | IT 13674 - 1 | 159,00 | 140,00 | 70,00 | 49,40 | 16,00 | 68,77 | 54,77 |
Queste specifiche del binario UIC54 garantiscono una forte resistenza alla flessione e un contatto stabile delle ruote. La testata della rotaia è progettata per ridurre l'usura. L'ampio piede aiuta a distribuire il carico sulle traversine. Il web collega entrambi e trasferisce lo stress in modo efficiente.

Nella costruzione ferroviaria, le dimensioni precise del profilo ferroviario UIC54 sono fondamentali. Piccole deviazioni possono influenzare l'allineamento e le prestazioni di fissaggio. Questo è il motivo per cui è necessario un rigoroso controllo delle tolleranze durante la produzione.
AGUIDA GNEE, le rotaie UIC54 sono prodotte con un rigoroso controllo della precisione di rotolamento e della composizione chimica, garantendo una qualità costante e la piena conformità agli standard ferroviari globali.
Quali sono la composizione chimica e le proprietà meccaniche?
Le prestazioni dibinario 54E1dipende dalla sua composizione chimica e dalla resistenza meccanica. Questi parametri sono rigorosamente definiti negli standard UIC.

Queste proprietà garantiscono che il profilo ferroviario UIC54 possa resistere a carichi ripetuti, impatti e fatica a lungo-termine.
Su cosa dovrebbero concentrarsi gli acquirenti quando acquistano la guida UIC54?
Quando si seleziona la guida UIC54 o la guida 54E1, è necessario concentrarsi su diversi fattori chiave.
- Il grado dell'acciaio è il primo fattore. Determina le prestazioni e la durata.
- Anche la precisione dimensionale è fondamentale. Influisce sull'installazione e sull'allineamento.
- La lunghezza della rotaia influisce sul trasporto e sulla progettazione dei giunti.
- La capacità di produzione e i tempi di consegna influiscono sulla pianificazione del progetto.
- Una fornitura stabile con una qualità costante aiuta a ridurre i rischi. Migliora inoltre l'efficienza dell'installazione e le prestazioni-a lungo termine.
Domande frequenti
Qual è la differenza tra la guida UIC54 e la guida 54E1?
Non c'è differenza. UIC54 e 54E1 si riferiscono allo stesso profilo ferroviario secondo lo standard UIC 860.
Quali sono le dimensioni standard del binario UIC54?
Le dimensioni principali includono altezza 159 mm, larghezza della testa 70 mm e larghezza del piede 140 mm. Questi definiscono la struttura ferroviaria.
Quale qualità di acciaio è migliore per la rotaia UIC54?
R260 è adatto alla maggior parte dei progetti. R350HT è migliore per carichi pesanti e condizioni di usura elevata.
Il binario UIC54 può essere personalizzato?
SÌ. Lunghezza, foratura e lavorazione possono essere personalizzate. Ciò aiuta ad abbinare diversi sistemi ferroviari.
Cosa influenza il prezzo ferroviario UIC54?
La qualità dell'acciaio, la quantità dell'ordine, la lunghezza della rotaia e il costo dell'acciaio di mercato influiscono tutti sui prezzi. Anche i requisiti di elaborazione contano.
Qual è il tempo di consegna tipico per la guida UIC54?
Dipende dalla quantità dell'ordine e dal programma di produzione. Gli ordini standard richiedono solitamente diverse settimane.
Come viene trasportato il treno UIC54?
Le rotaie vengono raggruppate e spedite via mare. L'imballaggio può essere modificato in base alle esigenze del progetto.
GUIDA GNEEproduce rotaie UIC54 e profili rotaie 54E1 con processi di laminazione stabili, garantendo dimensioni precise delle rotaie UIC54 e prestazioni meccaniche costanti. Supportiamo diversi gradi di acciaio come R260 e R350HT, oltre a opzioni flessibili di lunghezza delle rotaie, foratura e lavorazione. Ogni binario viene ispezionato per ridurre i problemi di installazione e migliorare l'efficienza in cantiere. Ciò aiuta gli acquirenti a controllare i costi e a ridurre i rischi di manutenzione. Se hai bisogno di specifiche dettagliate, disegni o prezzi delle rotaie UIC54, puoi farlocontattaciper ottenere soluzioni ferroviarie 54E1 e supporto al progetto e abbineremo l'opzione giusta in base alla tua applicazione.






